الکتروپمپ پیستونی 200 بار برتولینی ایتالیا مدل TML1520
الکتروپمپ پیستونی برتولینی مدل TML1520 محصول کشور ایتالیا است که با نام های پمپ کارواش 200 بار، پمپ صنعتی کارواش کوپل فابریک سه فاز، پمپ کارواش کوپل مستقیم و یا پمپ سه فاز کارواش کوپل مستقیم در بازار نیز شناخته میشود. اگرچه این پمپ برای مصارف مختلف میتواند مورد استفاده قرار گیرد اما به دلیل استفاده زیاد آن بعنوان پمپ فشار قوی در کارواشها به پمپ کارواش در بازار شناخته میشود.
الکتروپمپ کارواش برتولینی ایتالیا از جمله پرفروشترین الکتروپمپ های کارواش در ایران است. قیمت و کیفیت این محصول موجب شده است در بازار ایران فروش خوبی داشته باشد و از کالاهای صنعتی پرطرفدار در ایران محسوب میشود. الکتروپمپ کارواش 200 بار ساخت شرکت Bertolini قابل استفاده درکارواش های صنعتی که دارای برق سه فاز است. همچنین این الکتروپمپ مشابه پمپ کارواش 200 بار مدل TML1520 است.
خصوصیات فیزیکی
طراحی و ساخت الکتروپمپ کارواش کوپل فابریک مدل TML1520 بسیار دقیق و حرفهای است و باعث میشود این محصول در صنایع مختلف پرطرفدار باشد. در تصویر زیر اجزا اصلی پمپ به اختصار نشان داده شده است.کنید.

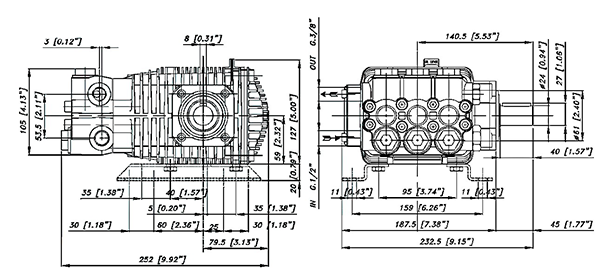
این محصول با استفاده از دانش روز و تجربه چندین ساله در ساخت و طراحی پمپ های کارواش فشار قوی تولید شده است و مجهز به دهانه ورودی سایز 1⁄2 اینچ، دهانه خروجی سایز 3⁄8 اینچ، وزن تقریبی 55 کیلوگرم و منبع روغن با گنجایش 0.7 لیتر با نشانگر روغن میباشد که باعث شده است به راحتی در هر زمان از کافی بودن میزان روغن پمپ پیستونی اطمینان حاصل نمود. در تصویر زیر ابعاد پمپ پیستونی برتولینی مدل TML1520 نشان داده شده است.

خصوصیات عملکردی
الکتروپمپ کارواش برتولینی مدل TML1520 به طور مستقیم با موتور 5.5 کیلووات (7.5 اسب بخار) 1500 دور کوپل شده است و حداکثر فشار کاری 200 بار و دبی 15 لیتر بر دقیقه را ایجاد میکند. حداکثر دمای استاندارد کاری این محصول 60 درجه سانتی گراد است. پمپ کارواش 200 بار فقط بصورت سه فاز مورد استفاده قرار میگیرد و بهترین روغن برای این محصول از نوع SAE75-W90 است.