کوپلینگ روتکس یکی از محبوب ترین کوپلینگ های انعطاف پذیر الاستومری است. این کوپلینگ در طرح ها و ابعاد متفاوت تولید می شوند و در صنعت امروزی بسیار پرکاربرد است. کوپلینگ روتکس به صورت فشرده طراحی شده است و می تواند گشتاور های بالا را انتقال دهد و به لطف قطعه الاستومری بین دو هاب این کوپلینگ می تواند نیروهای ضربه ای را تحمل کند. کوپلینگ روتکس برای هر طیفی از ماشین آلات و کاربردهای صنعتی مناسب است و مانند کوپلینگ KB بسیار پرکاربرد است. اغلب برای کاربرد هایی که کوپلینگ KB تواند پاسخگویی ندارد از کوپلینگ روتکس استفاده می شود. کوپلینگ روتکس از سه قسمت که شامل دو هاب و یک قطعه الاستومری بین دو هاب می باشد، تشکیل شده است. تصویر قطعات کوپلینگ روتکس در زیر آورده شده است.

قیمت کوپلینگ روتکس (rotex)
در تعیین قیمت کوپلینگ روتکس عوامل متعددی تاثیر گذارند که با توجه به این عوامل قیمت آن کم یا زیاد میشود. در ادامه برخی از عوامل مهم و ثابت تاثیر گذار بر قیمت کوپلینگ روتکس بیان شده است.
- جنس بدنه و پوسته: جنس بدنه کوپلینگ مهم ترین عامل تاثیرگذار بر قیمت کوپلینگ است. کوپلینگ ها معمولا از دو جنس فولادی و چدنی ساخته میشوند. کوپلینگ های فولادی به دلیل مقاومت بالا، قیمت بالاتری هم دارند.
- جنس بافر: یکی دیگر از عوامل تاثیرگذار بر قیمت کوپلینگ های روتکس، جنس بافر و درجه سختی آن است. بافر کوپلینگ های روتکس معمولا از جنس پلی اورتان است؛ خوب است بدانید که چنس بافر با توجه به کاربرد انتخاب میشود.
- ابعاد و اندازه کوپلینگ روتکس: معمولا کوپلینگ های روتکس هر چقدر که شفت های بزرگتری را به هم متصل کنند، ابعاد فیزیکی بزرگتری خواهند داشت و به همین نسبت قیمت بالاتری هم خواهند داشت.
گاهی ممکن است که تامین کنندگان کوپلینگ های روتکس با یک جنس مشخص، قیمت متفاوتی از هم ارائه دهند و قیمت یکی بسیار پایین تر از دیگری باشد. بسیار دقت کنید زیرا بعضی از تامین کنندگان از متریال های نامناسب و روش غیر استاندارد در تولید و طراحی کوپلینگ های روتکس استفاده میکنند و به همین علت قیمت پایین تری نیز دارند.
خرید کوپلینگ روتکس
کوپلینگ های روتکس مانند دیگر کوپلینگ ها رایج نیستند که در هر زمان و مکان بتوان آن را پیدا کرد. خرید کوپلینگ روتکس کمی سخت تر از خرید دیگر کوپلینگ ها است و در اکثر مواقع برای خرید کوپلینگ روتکس باید آن را به تامین کننده سفارش داد. کالا صنعتی به عنوان یکی از بزرگترین تامین کنندگان دستگاه ها و قطعات صنعتی، سفارش ساخت و ارسال انواع کوپلینگ های روتکس را بر عهده میگیرد. همچنین شما میتوانید برای خرید، مشاور فنی و بازرگانی رایگان و استعلام قیمت کوپلینگ روتکس با کارشناسان کالا صنعتی در تماس باشید.
برای انتخاب و خرید کوپلینگ های خود ابتدا باید موارد متعددی از جمله دمای ایجاد شده، میزان انعطاف پذیری کوپلینگ، میزان گشتاور و ... را مورد بررسی قرار دهید و کوپلینگ متناسب با عملکرد خود را اتتخاب کنید.به طور کلی در مورد کوپلینگ های روتکس ROTEX، از آنجایی که این کوپلینگ ها دارای خواص متعدد و ویژگیهای مناسب زیادی است میتواند در بسیار از کاربردها، مورد استفاده قرار گیرد و به همین علت یکی از محبوبترین کوپلینگ ها است. شما عزیزان میتوانید جهت اطلاع از قیمتها با کارشناسان ما تماس یگیرید و در صورت نیاز سؤالات خود را در میان بگذارید.
مشخصات فنی کوپلنگ روتکس
جنس کوپلینگ های روتکس ROTEX چدن است و در صورت درخواست تمامی قیمتهای کوپلینگ ماشین کاری میشود. در میان دو هاب کوپلینگ یک رابط به نام اسپایدر کوپلینگ وجود دارد که جنس قسمت اسپایدر این کوپلینگ ها از پلی یورتان (TPU) است. پلی یورتان خواص متعددی از جمله غیر سمی بودن، عایق بندی مناسب، مقاومت مناسب در برابر خورندگی، انعطاف پذیری بالا و چسبندگی مناسب با انواع سطوح را دارد. به همین دلیل این قسمت کوپلینگ های روتکس ROTEX مقاوم در برابر ضربه و ساییدگی است و انعطاف پذیری بالایی نیز دارد. کوپلینگ های روتکس ROTEX اغلب برای محیط های نفتی و روغنی، گرمسیر و شرجی مناسب هستند. علیرغم وزن کم و گشتاورهای جرمی اینرسی کوپلینگ های الاستومری روتکس ROTEX، آنها قادر به انتقال گشتاورهای بالا هستند. کوپلینگ های شفت فشرده با طول عمر طولانی و ویژگیهای عملکرد صدای تولید شده توسط ماشینکاری سرتاسری مشخص میشوند.
به لطف قسمت اسپایدر کوپلینگ بین هاب های کوپلینگ ارتعاشات کاهش مییابد. مواد اسپایدر مقاوم در برابر دمای بالا در درجات مختلف سختی است. کوپلینگ های روتکس ROTEX انعطاف پذیر پیچشی تقریباً در هر طیفی از ماشین آلات عمومی و مهندسی کارخانه استفاده میشود. از آنجایی که روتکس در بسیاری از کاربردها و شرایط نصب مختلف استفاده میشود، این سیستم کوپلینگ با انواع هاب موجود است. این انواع عمدتاً از این جهت متفاوت هستند که اتصالات مثبت یا درگیر اصطکاکی (بدون ضربه) را ارائه میدهند، اما موقعیتهای نصب مانند، شفت دنده با گیربکس صنعتی مشابه است.
مزایای کوپلینگ های روتکس ROTEX
- کوپلینگ های انعطاف پذیر
- ارتعاش بسیار پایین
- پلاگین محوری، بنابراین مونتاژ آسان
- کوپلینگ شفت ایمن
- جبران جابجاییها (محوری، شعاعی، زاویهای)
- کوپلینگ فکی نیاز کم به تعمیر و نگهداری
- تحمل گشتاور بسیار بالا

انواع کوپلینگ روتکس
در ادامه به معرفی انواع کوپلینگ های روتکس میپردازیم.
|

هاب نوع 1.0 (با خار ارهای و پیچ تنظیم)
انتقال قدرت با قفل مثبت، گشتاور مجاز بسته به فشار سطح مجاز. برای انتقال برق بدون واکنش با عملکرد معکوس شدید مناسب نیست.
|

نوع 2.0 هاب گیردار (تک شیار بدون خار ارهای)
اتصال شفت - هاب به صورت اصطکاکی و بدون واکنش. گشتاورهای قابل انتقال بسته به قطر سوراخ
|
|

هاب نوع 4.2 (برای مجموعه گیره CLAMPEX® KTR 250)
اتصال شفت - هاب بدون واکنش اصطکاکی برای انتقال گشتاورهای متوسط
|

هاب نوع 6.0 رینگ گیره
اتصال شفت - هاب درگیر اصطکاکی یکپارچه برای انتقال گشتاورهای بالاتر. پیچ در سمت الاستومر
|
|

هاب گیره نوع 7.5 نوع DH
اتصال شافت - هاب بدون واکنش اصطکاکی برای مونتاژ شعاعی کوپلینگ. گشتاورهای قابل انتقال بسته به قطر سوراخ
|

نوع 7.8 گیره توپی نوع H بدون خار ارهای
اتصال شافت - هاب بدون واکنش اصطکاکی برای مونتاژ شعاعی کوپلینگ. گشتاورهای قابل انتقال بسته به قطر سوراخ
|
|

توپی FNN
هاب کوپلینگ برای اتصال به یک ضمیمه مانند درام ترمز، دیسک ترمز و فن
|

هاب SPLIT نوع 7.1 با خار ارهای
هاب اسپلیت ساخته شده از چدن. انتقال قدرت با قفل مثبت با تناسب اصطکاک اضافی. تناسب اصطکاکی از واکنش معکوس جلوگیری میکند یا کاهش میدهد. فشار سطحی اتصال راه کلید کاهش مییابد.
|
|

هاب TB1/ هاب TB2
توپی اتصال برای آستینهای گیره مخروطی TB1 در سمت بادامک پیچ شده است. پیچ TB2 خارجی
|

هاب انتقال SD
توپی کوپلینگ برای جداسازی ربات. روشن کردن ماشین رانندگی/راننده در حالت سکون ماشین. قابل ترکیب با حلقه لغزنده و اتصال قابل تعویض
|
|

فلنج محرک نوع 3b نوع 3Na و 4N
|

فلنج محرک نوع 3Na و 4N با فلنج نوع K
برای نوع AFN و BFN. با نوع AFN، عنکبوت را میتوان در هنگام نصب بدون نیاز به جدا کردن قسمت محرک تعویض کرد.
|
|

فلنج محرک نوع 3Na
|
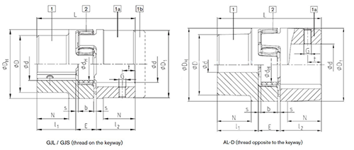
ابعاد کوپلینگ روتکس
کوپلینگ روتکس با متریال های متفاوت و با توجه به درخواست مشتری تولید می شود. کوپلینگ روتکس با متریال های آلومینیوم ریخته گری شده، چدن، آهن، استیل و فولاد تفجوش تولید می شود. تمامی ابعاد کوپلینگ روتکس که به صورت آماده در بازار هستند، از جنس چدن و فولاد می باشد و بقیه متریال ها نیاز به سفارشی کردن و ساخت کوپلینگ دارند. شرکت کالا صنعتی به عنوان بزرگترین تأمین کننده لوازم صنعتی در ایران، کوپلینگ های روتکس را در ابعاد متفاوت به مشتریان خود ارائه می دهد. همچنین در صورت درخواست برای سفارش تمامی ابعاد کوپلینگ روتکس با متریال های خاص، می توانید با کارشناسان فروش کالا صنعتی در تماس باشید و کوپلینگ خود را سفارش دهید. در ادامه ابعاد کوپلینگ روتکس با متریال های متفاوت در جداولی به صورت کامل نشان داده شده است.


| روتکس از جنس آلومینیوم ریخته گری شده |
| گشتاور رابر کوپلینگ |
ابعاد کوپلینگ |
سوراخ داخلی |
هاب |
سایز |
| 64 Sh-D |
98 Sh-A |
92 Sh-A |
dH |
S |
B |
E |
D |
L1;L2 |
N |
L |
DH
(قطر بزرگ) |
| - |
17 |
10 |
18 |
2 |
12 |
16 |
32 |
25 |
20 |
66 |
41 |
6-19 |
1 |
19 |
| 41 |
19-24 |
1a |
| - |
60 |
35 |
27 |
2 |
14 |
18 |
40 |
30 |
24 |
78 |
56 |
9-24 |
1 |
24 |
| 56 |
22-28 |
1a |
| - |
160 |
95 |
30 |
2.5 |
15 |
20 |
48 |
35 |
28 |
90 |
66 |
10-28 |
1 |
28 |
| 66 |
28-38 |
1a |
| روتکس از جنس چدن |
| گشتاور رابر کوپلینگ |
ابعاد کوپلینگ |
سوراخ داخلی |
هاب |
سایز |
| 64 Sh-D |
98 Sh-A |
92 Sh-A |
dH |
S |
B |
E |
D |
L1;L2 |
N |
L |
DH
(قطر بزرگ) |
| 405 |
325 |
190 |
38 |
3 |
18 |
24 |
66 |
45 |
37 |
114 |
80 |
12-40 |
1 |
38 |
| 78 |
38-48 |
1a |
| 70 |
62 |
164 |
12-48 |
1b |
| 560 |
450 |
265 |
46 |
3 |
20 |
26 |
75 |
50 |
40 |
126 |
95 |
14-45 |
1 |
42 |
| 94 |
42-55 |
1a |
| 75 |
65 |
176 |
14-55 |
1b |
| 655 |
525 |
310 |
51 |
3.5 |
21 |
28 |
85 |
56 |
45 |
140 |
105 |
15-52 |
1 |
48 |
| 104 |
48-62 |
1a |
| 80 |
69 |
188 |
15-62 |
1b |
| 825 |
685 |
410 |
60 |
4 |
22 |
30 |
98 |
65 |
52 |
160 |
120 |
20-60 |
1 |
55 |
| 118 |
55-74 |
1a |
| 1175 |
940 |
625 |
68 |
4.5 |
26 |
35 |
115 |
75 |
61 |
185 |
135 |
22-70 |
1 |
65 |
| 2400 |
1920 |
1280 |
80 |
5 |
30 |
40 |
135 |
85 |
69 |
210 |
160 |
30-80 |
1 |
75 |
| 4500 |
3600 |
2400 |
100 |
5.5 |
34 |
45 |
160 |
100 |
81 |
245 |
200 |
40-97 |
1 |
90 |
| روتکس از جنس آهن |
| گشتاور رابر کوپلینگ |
ابعاد کوپلینگ |
سوراخ داخلی |
هاب |
سایز |
| 64 Sh-D |
98 Sh-A |
92 Sh-A |
dH |
S |
B |
E |
D |
L1;L2 |
N |
L |
DH
(قطر بزرگ) |
| 6185 |
4950 |
3300 |
113 |
6 |
38 |
50 |
180 |
110 |
89 |
270 |
225 |
50-115 |
1 |
| 100 |
| 9000 |
7200 |
4800 |
127 |
6.5 |
42 |
55 |
200 |
120 |
96 |
295 |
255 |
60-125 |
| 1 |
| 110 |
| 12500 |
10000 |
6650 |
147 |
7 |
46 |
60 |
230 |
140 |
112 |
340 |
290 |
60-145 |
| 1 |
| 125 |
| 16000 |
12800 |
8550 |
165 |
7.5 |
50 |
65 |
255 |
155 |
124 |
375 |
320 |
60-160 |
1 |
140 |
| 290 |
| 24000 |
19200 |
12800 |
190 |
9 |
57 |
75 |
175 |
140 |
425 |
370 |
80-185 |
1 |
160 |
| 35000 |
| 28000 |
18650 |
220 |
10.5 |
64 |
85 |
325 |
195 |
156 |
475 |
420 |
85-200 |
1 |
180 |
| روتکس از جنس فولاد تفجوش |
| گشتاور رابر کوپلینگ |
ابعاد کوپلینگ |
سوراخ داخلی |
هاب |
سایز |
| 98 Sh-A |
92 Sh-A |
dH |
S |
B |
E |
D |
L1;L2 |
N |
L |
DH
(قطر بزرگ) |
| 12.5 |
7.5 |
10 |
1.5 |
10 |
13 |
30 |
11 |
M4 |
35 |
30 |
8, 10, 11, 12, 14, 15, 16 |
1a |
14 |
| 17 |
10 |
18 |
2 |
12 |
16 |
40 |
25 |
M5 |
66 |
40 |
14, 16, 19, 20, 22, 24 |
1a |
19 |
| 60 |
35 |
27 |
2 |
14 |
18 |
40 |
30 |
M5 |
78 |
56 |
Ø 24 |
1a |
24 |
| روتکس از جنس استیل |
| گشتاور رابر کوپلینگ |
ابعاد کوپلینگ |
سوراخ داخلی |
هاب |
سایز |
| 64 Sh-D |
98 Sh-A |
92 Sh-A |
dH |
S |
B |
E |
D |
L1;L2 |
N |
L |
DH
(قطر بزرگ) |
| 16 |
12.5 |
7.5 |
10 |
1.5 |
10 |
13 |
30 |
11 |
- |
35 |
30 |
0-16 |
1a |
14 |
| 18.5 |
50 |
1b |
| 21 |
17 |
10 |
18 |
2 |
12 |
16 |
40 |
25 |
- |
66 |
40 |
0-25 |
1a |
19 |
| 37 |
90 |
1b |
| 75 |
60 |
35 |
27 |
2 |
14 |
18 |
55 |
30 |
- |
78 |
55 |
0-35 |
1a |
24 |
| 50 |
118 |
1b |
| 200 |
160 |
95 |
30 |
2.5 |
15 |
20 |
65 |
35 |
- |
90 |
65 |
0-40 |
1a |
28 |
| 60 |
140 |
1b |
| 405 |
325 |
190 |
38 |
3 |
18 |
24 |
70 |
45 |
27 |
114 |
80 |
0-48 |
1 |
38 |
| 80 |
70 |
- |
164 |
1b |
| 560 |
450 |
265 |
46 |
3 |
20 |
26 |
85 |
50 |
28 |
126 |
95 |
0-55 |
1 |
42 |
| 95 |
75 |
- |
176 |
1b |
| 655 |
525 |
310 |
51 |
3.5 |
21 |
28 |
95 |
56 |
32 |
140 |
105 |
0-62 |
1 |
48 |
| 105 |
80 |
- |
188 |
1b |
| 825 |
685 |
410 |
60 |
4 |
22 |
30 |
110 |
65 |
37 |
160 |
120 |
0-74 |
1 |
55 |
| 120 |
90 |
- |
210 |
1b |
| 1175 |
940 |
625 |
68 |
4.5 |
26 |
35 |
115 |
75 |
47 |
185 |
135 |
0-80 |
1 |
65 |
| 135 |
100 |
- |
235 |
1b |
| 2400 |
1920 |
1280 |
80 |
5 |
30 |
40 |
135 |
85 |
53 |
210 |
160 |
0-95 |
1 |
75 |
| 160 |
110 |
- |
260 |
1b |
| 4500 |
3600 |
2400 |
100 |
5.5 |
34 |
45 |
160 |
100 |
62 |
245 |
200 |
0-110 |
1 |
90 |
| 200 |
125 |
- |
295 |
1b |
| 6185 |
4950 |
3300 |
113 |
6 |
38 |
50 |
150 |
110 |
89 |
270 |
225 |
0-115 |
1 |
100 |
| 9000 |
7200 |
4800 |
127 |
6.5 |
42 |
55 |
200 |
120 |
96 |
295 |
255 |
0-125 |
1 |
110 |
| 12500 |
10000 |
6650 |
147 |
7 |
46 |
60 |
230 |
140 |
112 |
340 |
290 |
60-145 |
1 |
125 |
| 16000 |
12800 |
8550 |
165 |
7.5 |
50 |
65 |
255 |
155 |
124 |
375 |
320 |
60-160 |
1 |
146 |
| 24000 |
19200 |
12800 |
190 |
9 |
57 |
75 |
290 |
175 |
140 |
425 |
370 |
80-185 |
1 |
160 |
| 35000 |
28000 |
18650 |
220 |
10.5 |
64 |
85 |
325 |
195 |
156 |
475 |
420 |
85-200 |
1 |
180 |
انواع کوپلینگ های روتکس
کوپلینگ های روتکس استاندارد
این کوپلینگ ها به دلیل ساختار ساده آن بسیار کم هزینه هستند. برای نصب هاب های کوپلینگ های روتکس استاندارد به سادگی رو شفت فشار داده شده و از طریق پیچ های تنظیمی به صورت محوری بسته می شوند. هاب های این کوپلینگ ها به صورت فولادی، آلومینیومی، چدن و آهنی موجود است. این کوپلینگ ها تقریباً در تمام محدوده های ماشین آلات عمومی و مهندسی استفاده می شوند.
ویژگی های کوپلینگ روتکس استاندارد
- کم هزینه
- الاستومر های ساخته شده از T-PUR مقاوم در برابر دمای بالا
- سوراخ های مخروطی و اینچی
- طیف گسترده ای برای موتورهای استاندارد (IEC و NEMA) و پمپ های هیدرولیک
- جبران جا به جایی شعاعی

کوپلینگ های روتکس برای بوش مخروطی
کوپلینگ روتکس برای بوش مخروط یک جفت کوپلینگ الاستومری است که می تواند با انواع مختلف بوش های مخروطی ترکیب شود. طراحی کوتاه این نوع کوپلینگ روتکس در ترکیب با فیت اسلاید، مونتاژ و تراز محوری کوپلینگ شفت انعطاف پذیر را تسهیل می کند.
ویژگی های کوپلینگ روتکس برای بوش مخروطی
- این کوپلینگ ها را می توان با بوش های مخروطی ترکیب کرد.
- تناسب لغزشی تراز محوری کوپلینگ را تسهیل می کند.
- طرح کوتاه
- پلاگین محوری، بنابراین مونتاژ / جداسازی آسان
- مطابق با ATEX (مطابق با دستورالعمل اتحادیه اروپا 2014/34/EU)
- میرایی ارتعاش
- جبران ناهماهنگی های محوری، شعاعی، زاویه ای
- تعمیر و نگهداری آسان

کوپلینگ روتکس با هاب های گیره
کوپلینگ های روتکس با هاب های گیره کوپلینگ های الاستومری انعطاف پذیری هستند که به ویژه برای کاربردهای با عملکرد معکوس مناسب هستند.
ویژگی های کوپلینگ روتکس با هاب های گیره
- جنس هاب ها از فولاد است.
- تعادل بر اساس داده های 3D-CAD
- به ویژه برای کاربردهایی با عملکرد معکوس مناسب است.
- مطابق با ATEX (مطابق با دستورالعمل اتحادیه اروپا 2014/34/EU)
- مونتاژ و جداسازی آسان از طریق پیچ های درپوش
- کوپلینگ شفت میرایی ارتعاش
- جبران ناهماهنگی های محوری، شعاعی، زاویه ای
- تعمیر و نگهداری آسان

کوپلینگ روتکس مدل AFN
کوپلینگ های روتکس مدل AFN یک جفت کوپلینگ الاستومری پیچشی هستند که به ویژه برای کاربرد های مهندسی سنگین مناسب می باشد. طراحی کوپلینگ روتکس مدل AFN با نوع فلنج دوگانه مشخص می شود که امکان مونتاژ شعاعی و جداسازی کوپلینگ شفت یا الاستومر را بدون جا به جایی سمت محرک یا متحرک می دهد.
ویژگی های کوپلینگ روتکس مدل AFN
- کوپلینگ الاستومری انعطاف پذیر پیچشی و ایمن در برابر شکست
- نوع فلنج دوبل برای مهندسی سنگین
- تعویض الاستومر هنگام نصب بدون جداسازی
- الاستومر به صورت شعاعی جدا می شود، سرویس دهی آسان است.
- مطابق با ATEX (مطابق با دستورالعمل اتحادیه اروپا 2014/34/EU)

کوپلینگ های روتکس مدل BFN
کوپلینگ روتکس مدل BFN یک کوپلینگ الاستومری انعطاف پذیر پیچشی هستند که به ویژه برای کاربرد های مهندسی سنگین مناسب هستند. طراحی کوپلینگ های روتکس مدل BFM با فلنج مشخص می شود که امکان مونتاژ شعاعی و جداسازی کوپلینگ شفت یا الاستومر را بدون جا به جایی سمت محرک یا متحرک می دهد.
ویژگی های کوپلینگ های روتکس مدل BFN
- کوپلینگ فلنجی با انعطاف پیچشی و ایمن در برابر شکست
- مناسب برای کاربردهای مهندسی سنگین
- اینرسی کم
- پلاگین محوری، جایگزینی الاستومر پس از مونتاژ شعاعی دستگاه رانندگی/راننده امکان پذیر است.
- مطابق با ATEX (مطابق با دستورالعمل اتحادیه اروپا 2014/34/EU)
- میرایی ارتعاش
- جبران ناهماهنگی های محوری، شعاعی، زاویه ای
- تعمیر و نگهداری آسان

کوپلینگ روتکس مدل AH
کوپلینگ روتکس مدل AH یک جفت کوپلینگ الاستومری می باشد که دارای هاب های تقسیم شده (کوپلینگ نیمه پوسته) است. این کوپلینگ با عنوان های کوپلینگ طراحی مرکز تخلیه، کوپلینگ نیم پوسته، کوپلینگ گیره، کوپلینگ با هاب های گیره نیز شناخته می شود. هاب های کوپلینگ روتکس مدل AH تکه تکه شده (تقسیم شده) هستند.
ویژگی های کوپلینگ روتکس مدل AH
- کوپلینگ روتکس با انعطاف پذیری پیچشی و میرایی لرزش / کوپلینگ الاستومری با هاب های تقسیم شده (کوپلینگ طراحی مرکز خروجی)
- مونتاژ / جداسازی آسان فقط از طریق چهار پیچ
- هاب ها ساخته شده از فولاد
- پلاگین محوری
- جبران ناهماهنگی های محوری، شعاعی، زاویه ای
- جداشدنی شعاعی، سرویس دهی آسان
- تعمیر و نگهداری آسان
- مطابقت با ATEX (طبق دستورالعمل اتحادیه اروپا 2014/34/EU)

کوپلینگ روتکس مدل SH
کوپلینگ روتکس مدل SH یک جفت کوپلینگ الاستومری با هاب های تقسیم شده هستند که مونتاژ و جداسازی آن ها آسان است. هاب های کوپلینگ های روتکس مدل SH به طور دقیق، مکانیکی و قابل اطمینان با ترک خوردن به دو نیمه تقسیم شده است. هاب های تقسیم شده امکان جمع آوری و جداسازی جفت الاستومر را به صورت شعاعی از طریق چهار پیچ بدون جا به جایی می دهند. این امر باعث می شود که اتصال الاستومری با هاب تقسیم شده برای مونتاژ و سرویس دهی آسان باشد.
ویژگی های کوپلینگ روتکس مدل SH
- کوپلینگ روتکس با انعطاف پیچشی، میرایی لرزش / کوپلینگ الاستومری با هاب های تقسیم شده (کوپلینگ طراحی مرکز خروجی)
- مواد چدن
- مونتاژ / جداسازی آسان از طریق چهار پیچ
- مرکز هر دو نیمه هاب از طریق سطح ترک خورده
- به خصوص برای فضاهای نصب باریک مناسب است.
- مطابقت با ATEX (طبق دستورالعمل اتحادیه اروپا 2014/34/EU)
- جبران ناهماهنگی های محوری، شعاعی، زاویه ای

کوپلینگ روتکس مدل DKM
این کوپلینگ های روتکس یک کوپلینگ انعطاف پذیر الاستومری دو کاردانیک است. طراحی دو کاردانیک این نوع کوپلینگ روتکس برای جا به جایی های شعاعی بزرگتر مناسب است. علاوه بر این، این کوپلینگ های روتکس دو کاردانیک به دلیل آرایش مضاعف الاستومر ها دارای خواص میرایی خوب است.
ویژگی های کوپلینگ روتکس مدل DKM
- کوپلینگ شفت دو کاردانیک و انعطاف پذیر پیچشی برای جا به جایی های بزرگ شفت
- نیروهای بازیابی کم
- خواص میرایی خوب به دلیل آرایش دوگانه الاستومر ها
- دویدن بسیار نرم به دلیل عدم تعادل کمتر با جا به جایی های شدید
- میرایی ارتعاش
- تعمیر و نگهداری آسان
- جبران ناهماهنگی های محوری، شعاعی، زاویه ای
- مطابق با ATEX (مطابق با دستورالعمل اتحادیه اروپا 2014/34/EU)
