بستن
دسته بندی کالا

اینورتر سهند




فیلتر

وضعیت

مقایسه

  • وضعیت
  • جدیدترین
  • پربازدیدترین
  • پرفروشترین
  • ارزانترین
  • گرانترین
  • الفبا
  • محبوب ترین

مشخصات استاندارد محصول

مشخصات استاندارد محصول

نکات ایمنی

  1. ازخاموش بودن منبع تغذیه قبل از اجرای سیم کشی اطمینان حاصل کنید.
  2. مطمئن شوید بدنه اینورتر به ارت متصل می باشد.
  3. درصورت بروز هرگونه مشکل و خطا باشرکت تماس حاصل فرمایید.
  4. از اتصال سیم ارت به نول دستگاه خودداری فرمایید.

نصب

  1. تابلو مناسب را انتخاب کرده و در مکانی مناسب در تابلو برق درایو را نصب کنید.دقت کنید که به دور از گرد و غبار و مواد شیمیایی و همچنین رطوبت باشد.
  2. تابلو مدنظر حتما در فضای سرپوشیده قرار گیرد.
  3. حداقل فاصله دستگاه با بدنه تابلو 10cm از بالا و 10cm از اطراف می باشد و همچنین تهویه مناسب و مسیرعبور هوای تازه برای تابلو فراهم شود.
  4. در محلی بدون لرزش و به صورت عمودی و ثابت نصب شود.
  5. اینورتر را مستقیما و بدون واسطه به موتور متصل نمایید و از قرار دادن هرگونه تجهیزات حفاظتی میان اینورتر و موتور جدا خودداری فرمایید.

اتصال اینورتر به موتور

راهنمای کیپد

راهنمای کیپد

پارامترهای کیپد

ابعاد

ابعاد کیپد

تذکر:

  1. تنها در صورتی می توان پارامترگروه و زیرگروه را تغییر داد که درایو در حالت STOP قرار داشته باشد.
  2. به دلیل داشتن تنظیمات اولیه و پیش فرض در این دستگاه فقط در موارد ضروری اقدام به تغییر پارامترها نمایید.

نحوه راه اندازی و تنظیم پارامترهای درایو SAHAND

1- تنظیم فرکانس کاری

P0-00 تنظیم فرکانس کاری درایو که مقدار آن در بازه صفر تا 800HZ قابل تنظیم می باشد. (0~800Hz)

2- تعیین مرجع فرمان

P0-01 مرجع RUN یا فرمان

  • 0: دستور حرکت و توقف توسط کیپد انجام شود.
  • 1: دستور حرکت و توقف توسط ترمینال ها انجام شود.
  • 2: دستور حرکت و توقف از طریق پورت ارتباطی RS-485 انجام شود.

3. تعیین مرجع فرکانس

P0-02 مرجع فرکانس اصلی

0: فرکانس به وسیله صفحه کلید تنظیم شود.

  • 1:  فرکانس به وسیله ترمینال های ورودی A11 تنظیم شود.
  • 2: فرکانس به وسیله ترمینال های ورودی A12 تنظیم شود.
  • 3: فرکانس به وسیله پورت RS-485 تنظیم شود.

4. تعیین بیشترین فرکانس کاری

P0-03 بیشترین فرکانس خروجی درایو 0~800HZ

5. تنظیم شیب سرعت در هنگام حرکت و شیب سرعت در هنگام توقف

الف) پارامتر P0-04 مشخص کردن مدت زمان افزایش شتاب سرعت اصلی : مدت زمانیکه از لحظه شروع کردن تا زمانی که موتور به دورنامی خود برسد که در پارامتر P0-00 مشخص می شود و مقدار این پارامتر از 0.5 تا 500 ثانیه قابل تنظیم است واز این پارامتر برای راه اندازی نرم موتور استفاده می شود.

ب) پارامتر P0-05 مشخص کردن مدت زمان کاهش شتاب سرعت اصلی : مدت زمان رسیدن موتور از دور نامی خود به و فرکانس صفر و متوقف شدن آن. مقدار این پارامتر از 0.5 تا 500 ثانیه قابل تنظیم می باشد.

6. تعیین چرخش موتور

P0-07 انتخاب و یا تغییر جهت چرخش موتور

0: راستگرد
1: چپگرد

7. تنظیم فرکانس کریر

به وسیله پارامتر P0-08 مقدار مورد نیاز جهت تعیین فرکانس کریر را مشخص نمایید که مقدار مجاز این پارامتر بازه 1~10K میباشد.

8. ولتاژ و جریان نامی موتور

ولتاژ نامی قابل تنظیم درایو مقدار 48~480V می باشد که تنظیم فرکانس آن از طریق پارامتر P0-10 و تغییر این پارامتر انجام می شود.

9. بازنشانی به تنظیمات کارخانه

درصورتی که خواستار بازگشت تنظیمات درایو به حالت اولیه و پیش فرض خود و یا تنظیمات کارخانه می باشید مقدار پارامتر P0-14 را از حالت 0 به 7 تغییر دهید.

10. ذخیره سازی اطلاعات خبرنگار

در صورت تمایل به ذخیره سازی پارامتر های تنظیم شده در حافظه کافیست مقدار پارامتر P0-14 را از مقدار 0 به 10 تغییر دهید.

11. بازیابی اطلاعات کاربر

در صورت پاک شدن اطلاعات کاربری از حافظه درایو و نیاز به بازیابی اطلاعات کافیست مقدار پارامتر P0-14 را از 0 به 210 تعییر دهید.

12. تنظیم فرکانس JOG

جاگ یکی از قابلیت های درایو است که با فعال سازی آن موتور با فرکانسی که توسط پارامتر P1-11 مشخص شده است (مقدار این پارامتر بین 5~800HZ می باشد) قابل تنظیم می باشد.

فعال سازی این پارامتر به وسیله ترمینال ورودی درایو می باشد که برای این کار می بایست پارامتر P0-01 را روی عدد 1 و پارامترهای P2-00 – P2-05 را که مربوط به ترمینال های ورودی درایو می باشد روی عدد 4 یا 5 تنظیم نمایید.

13. ترمینال های ورودی چند منظوره

ترمینال های ورودی درایو را میتوان براساس نیاز خود در یکی از حالت هایی که مشخص شده است تنظیم نمایید. این ترمینال ها از شماره P2-00 تا P2-05 را شامل میشود.

ترمینال های ورودی درایو
0: عملکردی ندارد. 8: ورودی خطای خارجی
1: چرخش به صورت راستگرد 9: ترمینال جهت افزایش مقدار فرکانس
2: چرخش به صورت چپگرد 10: ترمینال جهت کاهش مقدار فرکانس
3: کنترل فرمان درایو به صورت سه سیمه 11: ترمینال جهت تنظیم حد بالا و پایین فرکانس
4: راستگرد در حالت 12: ترمینال چند مرجع
5: چپگرد در حالت 13: ترمینال چند مرجع
6: متوقف کردن بدون نیاز به شیب توقف 14: ترمینال چند مرجع
7: پاک کردن خطا

14. فرمان دادن از طریق ترمینال ها RUN/STOP/FORWARD/REVERSE

اگر بخواهیم از طریق ترمینال های ورودی فرمان Forward Run/Reverse Run/Run/Stop اعمال کنیم در ابتدا مقدار پارامتر P0-01 را در حالت 1 قرار داده و سپس پارامترهای P2-00 در حالت 6 و P2-01 در حالت 2 و P2-02 در حالت 1 قرار داده شود زیرا با انجام این کارها میتوان از طریق ترمینال های ورودی درایو دستور لازم را صادر کرد. در صورتی که نیاز به حالت کاربری دیگری دارید میتوانید تا پارامتر P2-05 را برحسب نیازخود تنظیم نمایید.

15. UP/DOWN مقدار فرکانس از طریق ترمینال

درصورتی که خواستار تغییر فرکانس از طریق ترمینال های ورودی هستید ابتدا مقدار پارامتر P0-01 را 1 و مقدار پارامترهای ترمینال ورودی P2-00~P2-05 را به دلخواه 10 و 9 تنظیم نمایید.

نکته: در صورتی که پارامتر P0-01 روی مقدار Run/Stop تنظیم شود درایو فقط از طریق ترمینال های ورودی انجام میشود.

16. ترمینال های خروجی چندمنظوری

این درایو دارای یک عدد رله خروجی که شامل Y1A (کنتاکت نرمال باز) و Y1B (کنتاکت نرمال بسته) میباشد، است.این کنتاکت ها را میتوان در شرایط مختلف برحسب نیاز تنظیم و استفاده نمود.

  • 0: هیچ عملکردی ندارد.
  • 1: رخ دادن خطا
  • 2: پس از RUN شدن اینورتر فعال میشود.
  • 3: پس از رسیدن به فرکانس تنظیمی فعال میشود.
  • 4: پس از رسیدن به ماکزیمم فرکانس تنظیمی فعال میشود.
  • 5: در مینیمم فرکانس تنظیمی فعال میشود.

17. ورودی آنالوگ (0~20MA,0~10V)

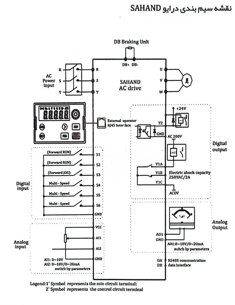
درصورت تمایل به استفاده از ورودی آنالوگ درایو، ابتدا قطعه مد نظر را طبق نقشه سیم بندی به پایه های ترمینال ورودی آنالوگ متصل می نماییم و مقدار پارامترهای P0-01 و P0-02 را 1 قرار می دهیم.

نقشه سیم بندی درایو سهند

جدول و مشخصات اینورتر سهند

18. استفاده از مقاومت ترمز

هنگامی که بار زیادی به محور موتور متصل و موتور در حال حرکت می باشد اگر به درایو فرمان توقف دهیم این بار زیاد باعث چرخش محور موتور می شود. به عبارتی حالت ژنراتوری ایجاد شده و موتوری که توسط بار چرخانده شده است ولتاژ زیادی را تولید می نماید. از طرفی خازن های درایو توانایی تحمل 400VDC را دارند و ولتاژهای بیشتر به آن ها آسیب می رساند به همین دلیل مدار حفاظتی درایو فعال شده خطای OV در صفحه نمایش درایو نمایش داده میشود. در این صورت دو راه جهت ادامه فعالیت درایو وجود دارد:

  1. افزایش زمان شیب توقف (مقدار پارامتر Dec را زیاد میکنیم)
  2. وصل کردن مقاومت ترمز به درایو (اضافه ولتاژ به سمت مقاومت ترمز هدایت میشود)

جدول مقاومت ترمز مناسب درایو SAHAND

جدول مقاومت ترمز مناسب اینورتر سهند

جدول خطاهای دستگاه

نحوه ی رفع خطا مفهوم پیغام نمایش داده شده

سیم بندی خروجی چک شود ممکن است اتصال کوتاه رخ داده باشد و یا جریان بسیار زیادی کشیده میشود.

خروجی اتصال کوتاه شده است SC

ولتاژ BUS DC بیش از حد مجاز بوده است.
استفاده از مقاومت ترمز

اضافه ولتاژ هنگام توقف OV

ولتاژ ورودی درایو کمتر از حد مجاز بوده است.
ولتاژ ورودی را بررسی کنید.

کاهش ولتاژ ورودی LV

مقدار بار متصل به موتور از توان موتور بیشتر است.
توان موتور را افزایش دهید.

بار زیاد موتور O11

بار متصل شده به درایو بیشتر از مقدار مجاز و توان آن است.
1) میزان بار را کاهش دهید.
2) توان درایو را افزایش دهید.

بار زیاد اینورتر O12

1) میزان بار را کاهش دهید.
2) قدرت درایو و موتور را افزایش دهید.

اضافه جریان هنگام توقف OC

1) از سالم بودن فن اطمینان حاصل نمایید.
2) محیط را خنک نگه دارید و تهویه هوا ایجاد کنید.

گرمای بیش از حد مجاز OH

1) پارامترهای تنظیم شده را بررسی نمایید.
2) درایو را بازنشانی به تنظیمات کارخانه کرده وپارامترهارا مجدد تنظیم نمایید.

خطا در تنظیم پارامتر ERR
جهت بررسی خطاها و نحوه رفع آن می توانید با شرکت تماس بگیرید.
    موبایل(اختیاری):
    کد مقابل را وارد کنید ...



    دسته بندی ها
    سبد خرید
    تماس با ما