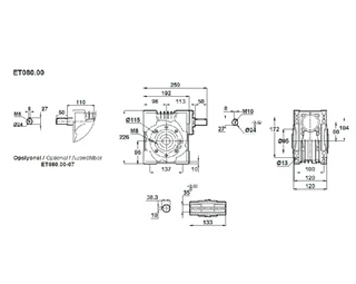
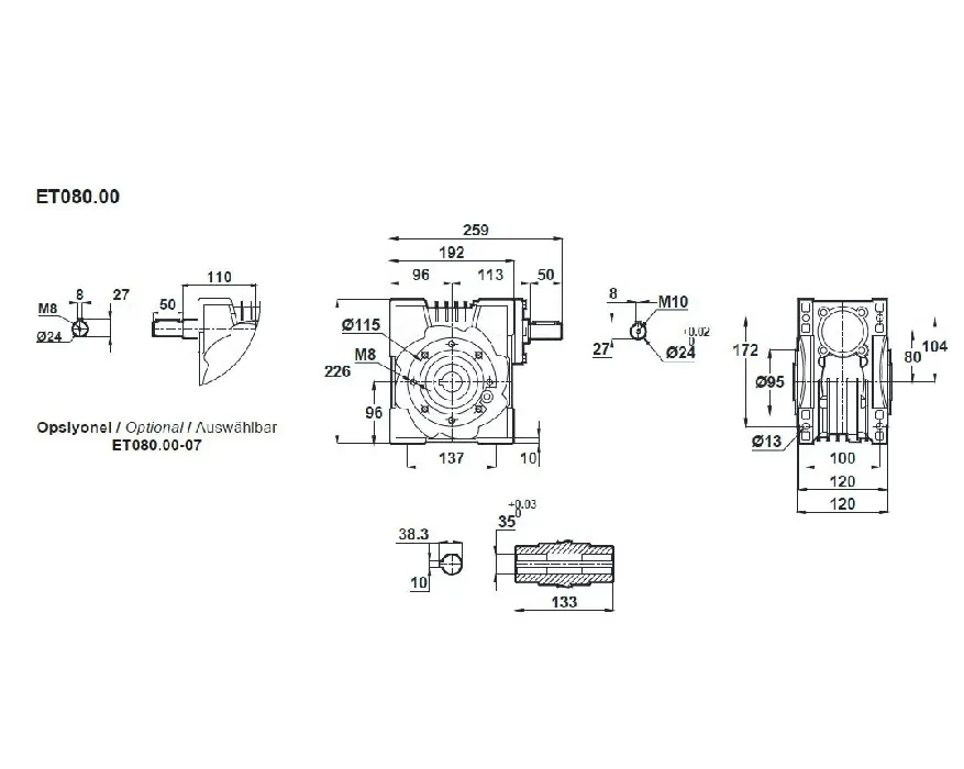
گیربکس حلزونی ایلماز کتابی سایز 80 سری ET
گیربکس های حلزونی ایلماز Yilmaz با نام تجاری سری E شناخته می شوند؛ گیربکس حلزونی ایلماز کتابی سایز 80 سری ET با محورهای عمود بر هم و پوسته مکعبی تولید شده و امکان نصب در همه جهت ها را دارد. گیربکس حلزونی (سری ET) ایلماز در اروپا تولید شده و قابلیت جایگزینی با گیربکس NMRV موتوواریو، گیربکس سری W بونفیلیولی، گیربکس Stm سری WMI، گیربکس Tec سری FCNDK و سایر گیربکس های کتابی مشابه را دارند. گیربکس حلزونی ایلماز کتابی سایز 80 سری ET برای کاربردهای که گشتاور بالا و سرعت کمی نیاز دارند تولید شده و بیشتر برای نوار نقاله و بالابرها استفاده می شوند. انواع گیربکس حلزونی ایلماز با سایز کوچک تا متوسط (30 و 40) با پوسته آلومینیومی و در سایزهای متوسط تا بزرگ (50 تا 125) با پوسته چدنی ارائه می شوند.
مشخصات گیربکس حلزونی ایلماز کتابی سایز 80 سری ET
برخی از ویژگی های کلیدی و مشخصات گیربکس حلزونی ایلماز کتابی سایز 80 سری ET عبارتند از:
- این گیربکس صنعتی با محور ورودی سالید شافت و خروجی هالوشافت ارائه می شود.
- گیربکس های حلزونی در نسبت های بالای 40 دارای خاصیت عدم برگشت پذیری هستند؛ این ویژگی به خصوص در آسانسورها و بالابرها بسیار حائز اهمیت است.
- جنس چرخ دنده های گیربکس ایلماز، آلیاژ فسفر-برنز است که با نام دنده برنجی نیز شناخته می شود؛ این چرخ دنده ها مقاومت بسیار بالایی در برابر سایش دارند و راندمان کلی این گیربکس ها را افزایش می دهند
- در طراحی پوسته گیربکس حلزونی ایلماز کتابی سایز 80 سری ET پره هایی مخصوص گردش هوا و خنک کاری گیربکس در نظر گرفته شده و توان حرارتی گیربکس را تا حد زیادی افزایش داده است.
- گیربکس های ایلماز با مهر و موم (سیلینگ) مخصوص، نشانگر درجه روغن و لوازم جانبی کاربردی مانند ترمز الکترومغناطیس، بک استاپ و انواع فلنج ها عرضه می شوند.
به طور کلی گیربکس ایلماز یکی از بهترین و با کیفیت ترین انواع گیربکس های صنعتی موجود در بازار ایران بوده و با خرید این گیربکس می توانید برای سال ها بدون دغدغه خرابی یا افت راندمان از این محصولات استفاده نمایید. وبسایت کالا صنعتی به عنوان عاملیت رسمی فروش گیربکس ایلماز در ایران آمادگی ثبت سفارش انواع این گیربکس ها را داشته و می توانید به صورت رایگان از مشاوره تخصصی کارشناسان ما بهره مند گردید.